行业需求
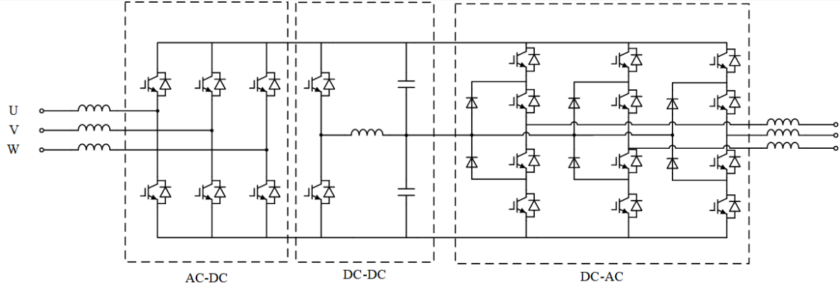
UPS是一种包含储能装置的不间断电源,,它主要用于医疗、商业和工业设施,以及从个人电脑到数据中心等一些对供电稳定性要求较高的设备提供不间断的电力供应,当市电输入正常时,UPS 会先将市电电压稳定下来后,再将市电供应给负载,而 UPS 是一种交流电调节器,并且还会为机器内的电池充电。当市电中断(意外停电)时,UPS 会立即通过逆变器切换和转换的方式,继续为负载提供 220 伏交流电,从而使负载能够保持正常运行,并保护负载的软件和硬件免受损坏。
行业应用方案

发布时间:2025-10-14 访问数:34 来源:江苏昕阳电子科技有限公司
UPS是一种包含储能装置的不间断电源,,它主要用于医疗、商业和工业设施,以及从个人电脑到数据中心等一些对供电稳定性要求较高的设备提供不间断的电力供应,当市电输入正常时,UPS 会先将市电电压稳定下来后,再将市电供应给负载,而 UPS 是一种交流电调节器,并且还会为机器内的电池充电。当市电中断(意外停电)时,UPS 会立即通过逆变器切换和转换的方式,继续为负载提供 220 伏交流电,从而使负载能够保持正常运行,并保护负载的软件和硬件免受损坏。
