行业需求
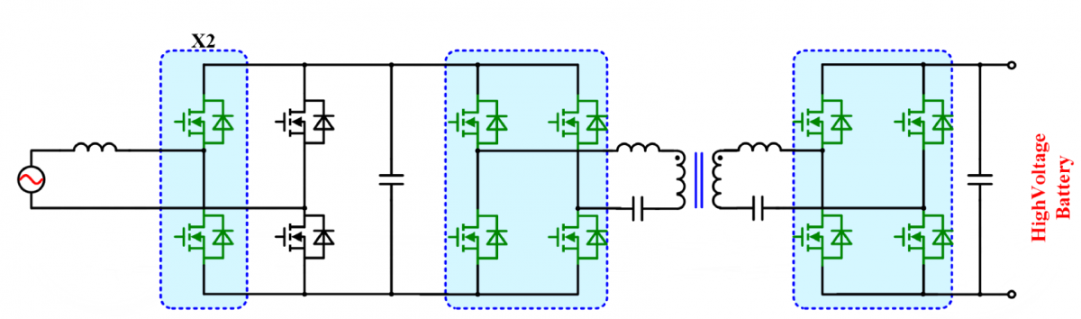
车载充电器(OBC)是安装在车辆内部的系统,用于车辆停放时从交流电网为高压电池充电。OBC通常由PFC(功率因素矫正电路)和DC/DC两级构成:PFC级:为并网的AC/DC变换器,将输入的单相/三相交流电变换为直流母线电压。中国单相交流电桩更普遍,欧洲等国外三相交流电更主流。单相交流输入PFC输出直流母线电压通常为400~600V,三相输入PFC输出直流母线电压通常为700~1000V;DC/DC变换器级:由于单级PFC输出直流电流有比较大低频波动,所以典型OBC会在PFC级后加入DC/DC,输出给车载高压动力电池供电。对于常见的400V或800V电池系统,OBC输出电压通常为230~450V与450~900V。
行业应用方案




