您当前的位置: 首页 » 应用领域 » 主驱
应用领域

主驱

发布时间:2025-07-25 访问数:57 来源:江苏昕阳电子科技有限公司

行业需求

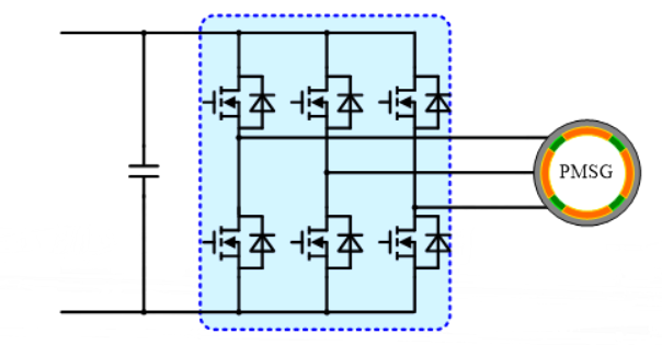
主驱逆变器是新能源汽车动力系统的核心部件之一,其主要功能是将动力电池输出的直流电转换为驱动电机所需的交流电,实现电动机的启停、调速和换向控制

行业应用方案