您当前的位置: 首页 » 应用领域 » 充电桩
应用领域

充电桩

发布时间:2025-07-25 访问数:45 来源:江苏昕阳电子科技有限公司

行业需求

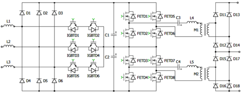
电动汽车充电器是一种为电动汽车提供充电服务的设备。它从电网中获取电力,然后将其转换为电能为电动汽车的电池充电。充电桩的出现解决了电动汽车续航里程有限的问题,并为其广泛普及提供了基础设施支持。 充电桩主要由桩体、电源单元、控制单元、计量单元等组成。桩体是充电桩的外壳,具有保护内部设备和方便用户操作的功能;电源单元负责电能的转换和传输。

行业应用方案