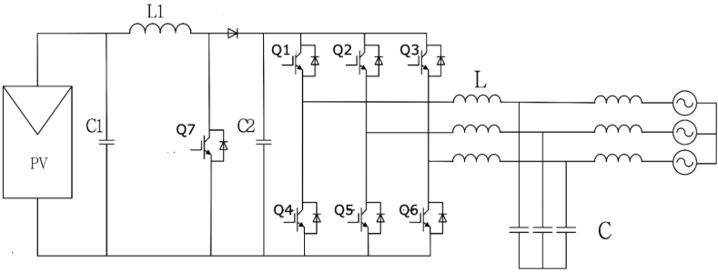
行业需求
储能系统的灵活性为大规模发电和输电系统的高效和可靠运行提供了一系列优势。储能系统提高了电网运行的效率,减少了在电网高峰时期的局部电量拥塞造成线路损耗。储能系统还可以减少为满足用电系统高峰需求而建造更多发电厂的需要。随着越来越多的太阳能光伏发电和风力发电的使用,能源存储与可再生能源的结合将有可能在未来十年改变我们生产、分配和使用能源的方式。这正大大推进太阳能光伏电站和风力发电机与储能系统(ESS)集成的需求和大规模发展。
行业应用方案
发布时间:2025-07-25 访问数:50 来源:江苏昕阳电子科技有限公司
储能系统的灵活性为大规模发电和输电系统的高效和可靠运行提供了一系列优势。储能系统提高了电网运行的效率,减少了在电网高峰时期的局部电量拥塞造成线路损耗。储能系统还可以减少为满足用电系统高峰需求而建造更多发电厂的需要。随着越来越多的太阳能光伏发电和风力发电的使用,能源存储与可再生能源的结合将有可能在未来十年改变我们生产、分配和使用能源的方式。这正大大推进太阳能光伏电站和风力发电机与储能系统(ESS)集成的需求和大规模发展。