您当前的位置: 首页 » 应用领域 » 光伏
应用领域

光伏

发布时间:2025-07-25 访问数:46 来源:江苏昕阳电子科技有限公司

行业需求

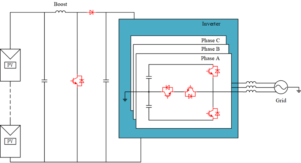
光伏逆变器将太阳能电池发出的直流电转化为符合电网电能质量要求的交流电,并配合一般交流供电的设备使用。光伏逆变器的性能可以影响整个光伏系统的平稳性、发电效率和使用年限。光伏逆变器根据其功率等级、内部电路结构及应用场合不同,一般可分为集中型逆变器、组串型逆变器和微型逆变器三种类型。IGBT是光伏逆变器的核心器件,光伏装机容量的迅速提升驱动逆变器行业成长,为IGBT市场空间的拓展提供动力。

行业应用方案