行业需求
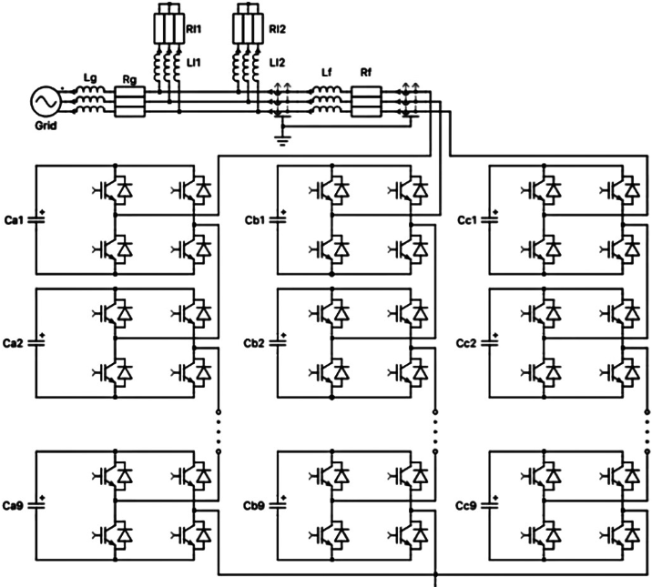
作为一种基于可关断大功率电力电子器件(如IGBT)的自换相桥式电路,通过电抗器并联接入电网,并通过调节桥式电路交流侧输出电压的幅值和相位,实现吸收或发出无功电流,从而达到动态无功补偿的目的。该装置主要应用于提升电网输电容量、稳定暂态电压,支持输配电网及风电、光伏电站的无功调压,并在矿山、石化、煤矿等行业中用于功率因数控制、抑制母线电压闪变、补偿不平衡负荷以及滤除负荷谐波电流,从而有效提高电能质量,实现节能用电。随着现代电力电子设备等非线性负荷大量接入电网,尤其是电力电子开关器件的广泛应用和负载频繁波动所带来的电能质量问题,SVG已成为当前最具优势的解决方案,能够显著增强电网稳定性、提升输电能力、消除无功冲击、滤除谐波并平衡三相电网,因而是当今无功补偿领域最新技术的代表。
行业应用方案




